
Korekcija faktora snage Najpotpunija vodiča: PPEC
Korekcija faktora snage ključna je za osiguranje glatkog, održivog i izdržljivog rada električne infrastrukture. Poboljšava performanse i ukupnu učinkovitost cijelog električnog sustava. Korekcija faktora energije maksimizira iskorištenost energije i smanjuje otpad u raznim industrijama. Ovaj post pruža dublje razumijevanje važnosti korekcije faktora snage tijekom elektrotehnike i elektroenergetskih sustava.
1. Što je faktor snage?
2. Koje su tri vrste snage u električnom krugu?
3. Koji su osnovi faktora moći?
4. Koji su glavni uzroci faktora snage?
5. Trebate li biti zabrinuti zbog niskog faktora snage?
6. Kako utječe na motore niskog faktora snage?
7. Kako možete poboljšati faktor snage?
8. Što je korekcija faktora snage?
9. Zašto je potrebna korekcija faktora snage i kako se postiže?
10. Koji je krug korekcije faktora snage?
11. Koje su vrste korekcije faktora snage?
12. Koji su načini prebacivanja korekcije faktora snage?
13. Koje su prednosti energetskih kondenzatora poboljšavajući faktore snage?
14. Kako izračunati vrijednost kondenzatora za korekciju faktora snage?
15. Koje su vrste tehnika i uređaja za ispravljanje faktora snage?
16. Gdje biste trebali instalirati kondenzatore u sustav distribucije postrojenja?
17. Koje su prednosti korekcije faktora snage?

Što je faktor napajanja: Electrical4U
Faktor snage je omjer ukupne energije isporučene na kraj prijenosa uređaja na energiju izvađenu na izlaznom kraju. To je koeficijent performansi za korištenje električne energije.
Budući da su opterećenja u elektroenergetskim sustavima, poput motora, transformatora i indukcijskih peći, induktivna, a induktivna opterećenja zahtijevaju magnetsko polje za rad, podijeljena su na aktivnu snagu i reaktivnu snagu tijekom rada.
Aktivna snaga prvenstveno se odnosi na snagu potrebnu za stvaranje stvarnog rada potrebnog za izlaz uređaja, poput kretanja topline i svjetlosti.
Za održavanje magnetskog polja koristi se reaktivna snaga. Iako ne izvodi koristan "rad", neprekidno cirkulira između generatora i opterećenja. To rezultira gubicima snage u sustavu napajanja i distribucije.
Aktivna snaga i reaktivna snaga zajedno predstavljaju prividnu moć.
Električni sustavi sadrže tri vrste snage:
Aktivna snaga

Aktivno pokretanje snage: sHegrid
Aktivna snaga odnosi se na snagu koja posebno obavlja "rad". To je snaga koja se može prenijeti na opterećenje i koristiti.
Reaktivna snaga

Reaktivna snaga: sHegrid
Reaktivna snaga je pod pravim kutom do aktivne snage. Ne izvodi koristan "rad". Umjesto toga, prvenstveno održava magnetska polja u reaktivnim komponentama, poput induktora i kondenzatora. Lako se prenosi natrag u mrežu i može utjecati na kvalitetu snage. Stoga je u elektroenergetskim sustavima važno maksimizirati energetsku učinkovitost i minimizirati reaktivnu snagu.
Očigledna snaga

Očigledna snaga: ESHOP
Očigledna snaga prvenstveno se sastoji od aktivne snage i reaktivne snage. Faktor snage je omjer aktivne snage i prividne snage. Što je veći faktor snage, to se učinkovitije koristi snaga.
Da biste dobili točan faktor snage, podijelite aktivnu snagu s prividnom snagom. Rezultat se naziva kosinus.

Koji su osnovi faktora snage: mytnb
Faktor snage je omjer aktivne snage i prividne snage. Mjeri kako se koristi učinkovito električna energija. Što je niži faktor snage, to se manje učinkovito koristi energija. Morate poboljšati faktor snage svog sustava. Faktor snage izračunava se dijeljenjem aktivne snage (KW) prividnom snagom (KVA). Stoga je rezultat poznat i kao kosinus theta.

Koji su glavni uzroci faktora snage: ElectricalTechnology
Što je niži faktor snage električne mreže, to je niža učinkovitost iskorištavanja energije. Glavni uzroci niskog faktora snage uključuju:
Raseljavanje
To se događa kada su valni oblici napona i struje u sustavu kruga izvan faze, što rezultira pomakom.
Izobličenje
Distorzija se općenito odnosi na promjenu oblika izvornog valnog oblika tijekom rada. Ako nelinearni valni oblik sadrži veliki broj harmonika, napon mreže je sklon izobličenju.

Ako vas zanimaju faktor male snage: ElectricalTechnology
Nizak faktor snage u električnoj mreži trebao bi biti od posebne zabrinutosti. Niži faktor snage znači niže iskorištavanje energije, što može dovesti do gubitka energije, utjecati na učinkovitost mreže i povećati troškove električne energije.

Kako utječu na faktor male snage motore-izvorni: Electrical4U
Motori se obično dizajniraju i razmatraju na temelju njihovog maksimalnog opterećenja, poput transportnih uređaja, kompresora, brusilica i udara. Međutim, također moraju razmotriti pitanje niskog faktora snage u radu s visokim opterećenjem. Kad motor djeluje pod velikim opterećenjem, uređaj crpi više struje, uzrokujući pad ukupnog napona, što dovodi do sporog rada ili pregrijavanja.

Kako možete poboljšati faktor napajanja: ElectricalTechnology
Da biste poboljšali faktor snage cijelog elektroenergetskog sustava, u sustav možete dodati kondenzatore korekcije faktora snage. Ovi kondenzatori djeluju kao generatori reaktivne struje, pružajući reaktivnu struju u cijelom elektroenergetskom sustavu, smanjujući na taj način ukupnu količinu struje izvučene iz sustava.

Što je korekcija faktora snage: monolitna snaga
Korekcija faktora snage prvenstveno koristi kondenzatore za smanjenje reaktivne snage u izmjeničnim krugovima, poboljšavajući ukupnu učinkovitost kruga.
U DC krugovima struja je proporcionalna primijenjenom naponu, a potrošnja energije otpornih opterećenja je linearna. Međutim, u AC krugovima, reaktancija utječe na karakteristike kruga. AC napon je sinusoidni val, tako da njegova amplituda i smjer variraju ovisno o učestalosti napajanja.
U AC krugovima, mnoge električne komponente, poput zavojnica, namotanja i transformatora, doživljavaju faznu razliku između struje i napona, što rezultira stvarnom potrošnjom energije manja od proizvoda napona i struje. To lako može smanjiti faktor snage cijelog sustava, što zahtijeva korekciju faktora snage.

Zašto je potrebna korekcija faktora snage i kako se postiže izvori: EnergyAustralia
Ako je faktor snage u krugu nizak i neispravan, može utjecati na učinkovitost cijelog elektroenergetskog sustava, skratiti životni vijek energetske opreme, pa čak i otjerati energiju generiranu energiju sustava, što dovodi do povećanja računa za električnu energiju za tvrtke.
Obično se kondenzatori korekcije faktora snage instaliraju blizu opterećenja. To im omogućuje da lakše oslobađaju akumuliranu energiju.

Koji je korekcijski krug faktora faktora: ALLABOUTCIRCUITS
Dijagram korekcije faktora snage uključuje otpornike i induktore. Otpornici i induktori predstavljaju motorno osovinu i magnetsko polje. Dodavanje kondenzatora korekcije faktora napajanja u krug pomakne neke induktivnosti koje nastaju reaktivnom snagom, sprječavajući rasipanje magnetskog polja. Kad se faktor snage ispravi, napon i struja cijelog sustava kruga postaju više sinkronizirani, što faktor snage približava jedinstvu.
U modernom društvu tehnologije korekcije faktora snage mogu se kategorizirati kao korekcija pasivne faktore snage, djelomična korekcija faktora snage i korekcija aktivnog faktora snage. Među njima:
Ispravljanje faktora pasivne snage

Ispravljanje faktora pasivne snage: Thailin
Korekcija pasivnog faktora snage prvenstveno uključuje povezivanje reaktora u nizu s napajanjem. Reaktori pomažu u poboljšanju faktora snage.
Djelomična korekcija faktora struje
Korekcija djelomične preklopne faktore snage obično se kombinira s ispravljačem napona za inverter klima uređaje i druge kućanske uređaje.
Ispravljanje faktora aktivne snage

Korekcija aktivnog faktora snage: PowerFactor
Korekcija aktivnog faktora snage obično se koristi za visoku učinkovitost, kompaktne napajanja na način prekidača.
Korekcija faktora snage koristi tri načina prebacivanja. To uključuje:
Način kontinuiranog provođenja (CCM)

Način kontinuiranog provođenja (CCM) -URvenced: Piexpertonline
Ovaj način omogućuje struju kruga da teče kroz reaktor, a MOSFET se uključi prije nego što se struja reaktora padne na nulu. Tijekom ovog razdoblja provođenja struja prolazi kroz izlaznu diodu, miješajući se s strujom opterećenja u reaktoru.
Kritični način provođenja (CRM)
Kritični način provođenja (CRM) -URZORNI: TechSimulator
Kad struja reaktora padne na nulu, MOSFET se uključuje. Kad je izlazni napon previsok, krug smanjuje širinu impulsa. Kad je izlazni napon prenizak, krug povećava širinu impulsa. Stoga se radna frekvencija cijelog kruga smanjuje kako se opterećenje povećava.
Prekinuti način provođenja (DCM)

Prekid načina provođenja (DCM) -UREDED: PIEXPERTONLINE
Ovaj način rada ima razdoblje nula struje u svakom ciklusu.
Dodavanje kondenzatora korekcije faktora snage u vaš krug može pružiti sljedeće prednosti:
Poboljšani napon

Poboljšani napon: PowerQuality
Kopacitori korekcije faktora snage poboljšavaju napon vašeg sustava cijelog kruga, čineći izlaz i ulazni napon stabilnijim i učinkovitijim.
Povećani kapacitet sustava

Povećani kapacitet sustava: wagnermehanički
Kondenzatori korekcije faktora snage mogu pružiti dovoljnu ukupnu snagu za vaš sustav za prijenos i distribuciju, povećavajući kapacitet cijelog sustava. Oni vam mogu pomoći da upravljate većim generatorima, transformatorima i kablovima.
Smanjeni gubici

Smanjeni gubici koji su izvorni: zviježđe
Kondenzatori korekcije faktora snage mogu smanjiti gubitke u vašem sustavu.
Smanjeni računi za električnu energiju

Smanjene račune za električnu energiju: Goldmedalindia
Kada cijeli vaš distribucijski sustav koristi komunalna ili veća industrija, on može poboljšati energetsku učinkovitost, smanjiti račune za električnu energiju i uštedjeti novac.

Kako izračunati vrijednost kondenzatora za korekciju faktora snage: Aquantuo
Ako trebate odrediti količinu korekcije faktora snage koja je potrebna u vašem sustavu, formula korekcije faktora snage je:
Qc=p (tan ϕ - tan ϕ ')
QC je ukupna reaktivna snaga (kvar)
P je aktivna snaga (KW)
ϕ je početni kut pomaka faze
ϕ 'je kut pomaka faze kompenzacije
Kut pomaka faze je vremenska razlika između struje i napona u cijelom sustavu. Nakon utvrđivanja ukupne reaktivne snage sustava, morate odrediti snagu koja se može postići nakon instaliranja kondenzatora. To uključuje postavljanje kondenzatora pored opterećenja, omogućavajući veći kondenzator da upravlja opterećenjem.
Pored kondenzatora, možete koristiti i razne tehnologije i metode za postizanje korekcije faktora snage, uključujući statički VAR kompenzatori, korekciju faktora aktivne snage i korekciju hibridnog faktora snage.
Banka kondenzatora

Kondenzatorski izvori: InstrumentalTools
Banka kondenzatora zbirka je električnih komponenti integriranih u jednu jedinicu. Može se povezati u seriji ili paralelno, ovisno o vašim potrebama. Najčešće se koristi u raspodjeli energije za nadoknadu induktivnih opterećenja u prijenosnim linijama, povećavajući na taj način kapacitet cijele banke kondenzatora i omogućavajući joj da nosi veća opterećenja.
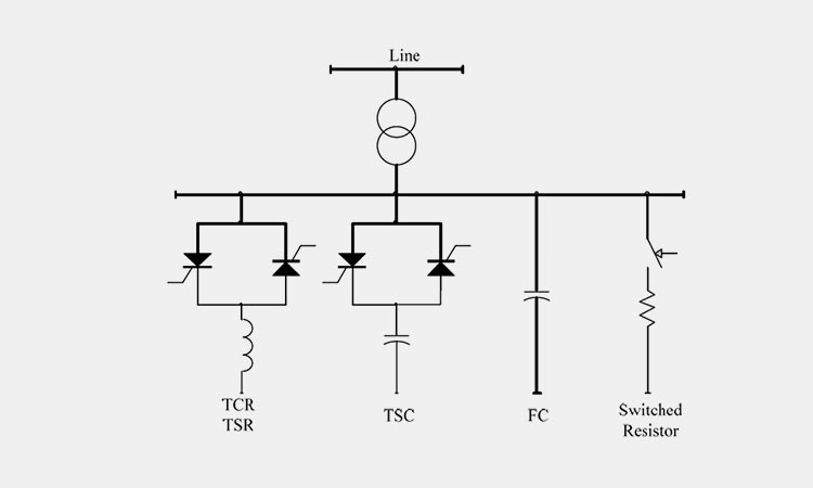
Statički var kompenzator

Statički var kompenzator-izvod: električno-inženjering-portal
Statički VAR kompenzator također je uređaj za korekciju faktora snage. Automatski reagira na neravnoteže napona ili struje radi kontrole degradacije faktora snage. Prvenstveno se sastoji od reaktora koji kontrolira tiristor, koji apsorbira induktivnu i zaostaju reaktivnu snagu.
Ispravljanje faktora aktivne snage

Korekcija aktivnog faktora snage: PowerFactor
Uređaji za korekciju faktora aktivne snage složeniji su od banaka kondenzatora i statičkih VAR kompenzatora. Pored mjernog kruga, oni uključuju i regulatore napona, detektore prenapona, detektori nulte struje i zaključavanje ulaznih pod naponima.
Hibridna korekcija faktora snage

Hibridni faktor snage korekcija izvora: ytelect
Osim utjecaja niskog faktora snage na učinkovitost energije, harmonika također može smanjiti kvalitetu snage u cijelom sustavu kruga, što potencijalno ošteti različite električne opreme. Stoga se hibridni korektor faktora snage može koristiti za rješavanje gubitka energije i uklanjanje harmonika u sustavu.

Gdje biste trebali instalirati kondenzatori u svoj sustav distribucije postrojenja: Eaton
Kondenzatori korekcije faktora snage trebaju biti instalirani blizu opterećenja koje su dizajnirani za rukovanje. Najbolje su instalirani izravno na motor gdje se troši snaga. Također možete instalirati kondenzatore korekcije faktora snage na bočnoj strani motora, ovisno o trenutnom izvlačenju i opterećenju.
Ispravljanje i poboljšanje faktora snage cijelog sustava može pružiti sljedeće prednosti:
Poboljšana kvaliteta snage

Poboljšana kvaliteta snage: Protazis
Održavanjem optimalnog faktora snage za sustav, napon pri velikim opterećenjima se smanjuje i stabilizira, poboljšava kvalitetu snage i osigurava čist i stabilan napon napajanja za opterećenje.
Poboljšana pouzdanost mreže električne mreže

Poboljšana pouzdanost mreže elektroenergetske mreže: OBKIO
Poboljšana kvaliteta snage smanjuje gubitke u transformatorima, kablovima i prekidačima te održava optimalne radne temperature, proširujući pouzdanost i radni vijek distribucijskog sustava i dodatno povećavajući pouzdanost mreže napajanja.
Smanjena harmonična izobličenja

Smanjena harmonična izobličenja: SpecijalnostProductTechnologies
U napajačkim mrežama s jakim harmoničnim izobličenjem, instaliranje kondenzatora korekcije faktora snage može značajno smanjiti izobličenje, filtrirati i smanjiti harmonike, značajno poboljšati pouzdanost opreme i životni vijek te poboljšati kvalitetu snage.
Smanjeni troškovi

Smanjeni troškovi: Prokurious
Kad se vaša učinkovitost energije i kvaliteta smanje, podvrgavat će se višim viškom kaznenim napajanjima. Instaliranje kondenzatora korekcije faktora snage može nadoknaditi i izbjeći ove kazne, smanjujući na taj način troškove dostupnosti.
Korekcija faktora snage ključna je za elektroenergetske sustave. Odabir ispravnog uređaja za korekciju faktora snage za vašu industriju može vam pomoći smanjiti troškove električne energije. Da biste pronašli najekonomičnije rješenje za poboljšanje kvalitete energije u vašem elektroenergetskom sustavu, pažljivo pročitajte ovaj vodič ili nas slobodno kontaktirajte.




